Арт.: 036170

Профиль SL-LINIA62-F-3000 ANOD (Arlight, Алюминий)

Распечатать
Поделиться
Общие характеристики
Тип товара
Профиль
Назначение
Для прямоугольных светильников
Форма (сечение)
С фланцем
Цвет покрытия
Серебристый
Материал корпуса
Алюминий
Индивидуальная покраска
Возможна
Гарантийный срок
3 год(а)
Модельный ряд
SL-LINIA
Способ монтажа
Встраиваемый с накладным фланцем
3 76887 ₽/м

В наличии

Пленочная упаковка (полистирол) 3 м — 11 30661
Пленочная упаковка (полистирол) 3 м 11 30661
Способы получения заказа Способы получения заказа Доставка по Ставропольскому краю
Описание
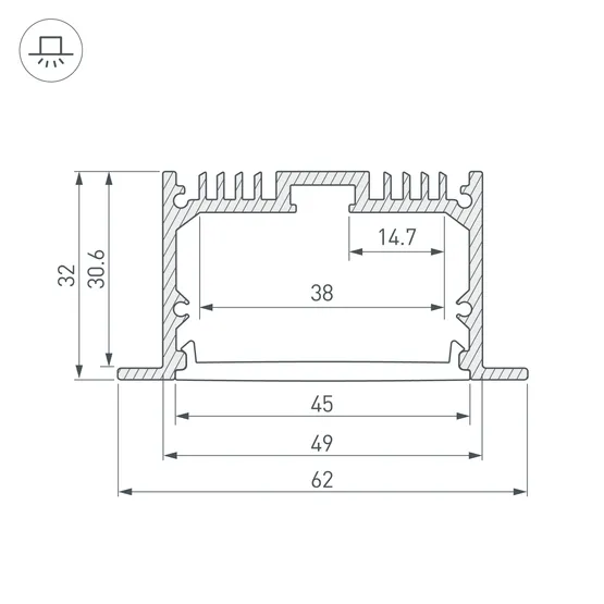
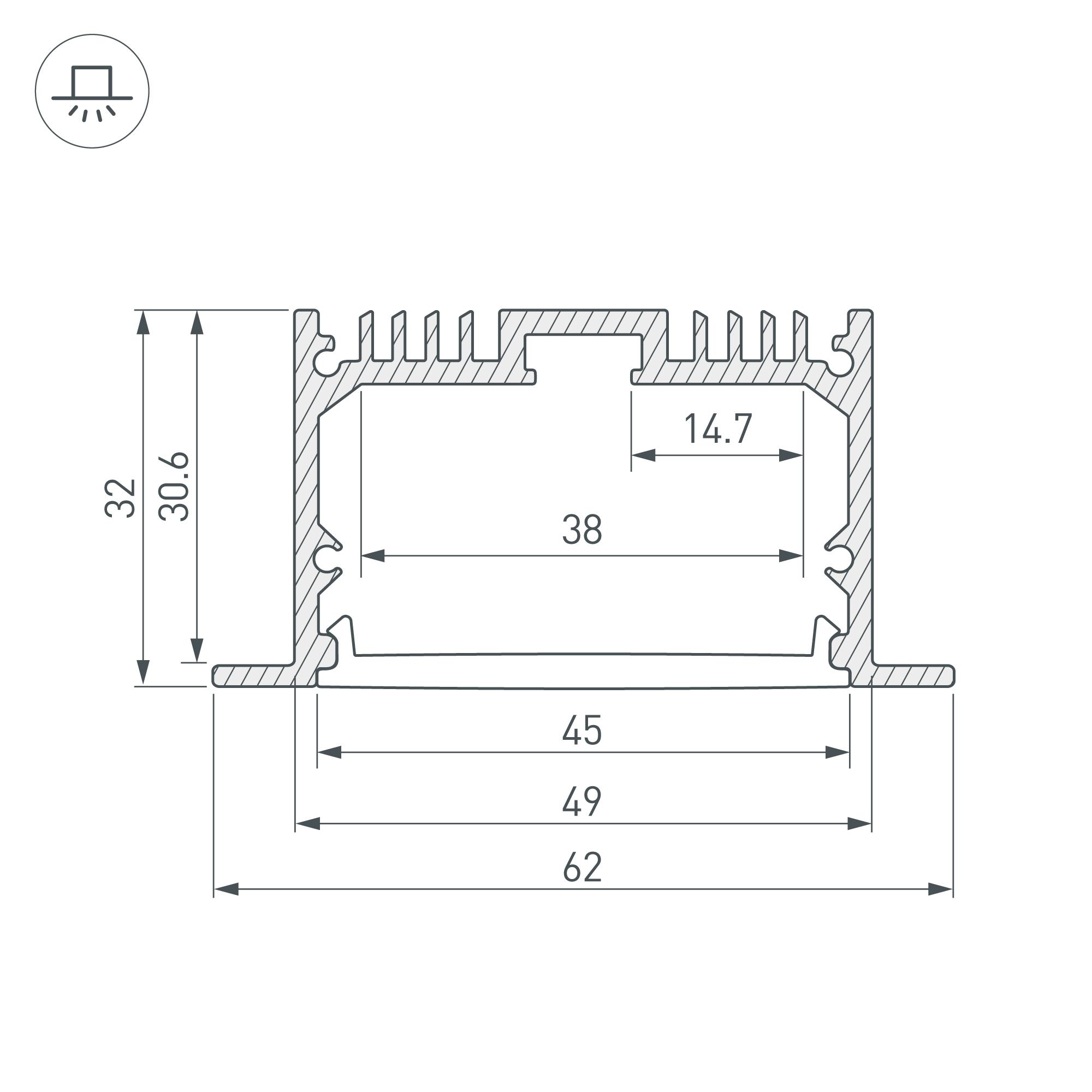
Встраиваемый профиль с накладным фланцем из анодированного алюминия для основной и контурной подсветки помещений. Габаритные размеры профиля составляют 3000 мм в длину, 62 мм в ширину и 32 мм в высоту, паз для установки 49 мм. Площадка для установки светодиодных лент позволяет использовать ленту шириной до 38 мм и мощностью до 46,4 Вт/м. Это обеспечивает гибкость в выборе светодиодных лент и создает потрясающие световые решения. Экраны, заглушки и другие аксессуары не включены в комплект и приобретаются отдельно. Цена указана за 1 метр профиля. Отличное решение для создания современных световых проектов.
Характеристики
Алюминиевый анодированный профиль для светодиодных лент и линеек. Габаритные размеры (L×W×H): 3000x62x32 мм, паз для установки 49 мм. Ширина площадки для ленты 38 мм. Экраны, заглушки и другие аксессуары приобретаются отдельно. Цена за 1 метр.
Общие
Артикул
036170
Тип товара
Профиль
Назначение
Для прямоугольных светильников
Форма (сечение)
С фланцем
Цвет покрытия
Серебристый
Материал корпуса
Алюминий
Индивидуальная покраска
Возможна
Гарантийный срок
3 год(а)
Модельный ряд
SL-LINIA
Способ монтажа
Встраиваемый с накладным фланцем
Светотехнические
КПД профиля (cветовой)
87 %
Эксплуатационные
Внешний вид поверхности
Матовая
Покрытие поверхности
Анодирование
Ширина световой линии
45 мм
Рассеиваемая тепловая мощность на 1м
max: 46.4 W
Габариты
Длина
3000 мм
Ширина
62 мм
Высота
32 мм
Ширина площадки
38 мм
Глубина установки источника света
23.53 мм
Другие
Кратность цены за 1 м/шт
1
Модели серии (15)
Страница серии
Item 1 of 15