Арт.: 027162

Профиль SL-LINIA55-FANTOM-EDGE-2000 ANOD (Arlight, Алюминий)

Распечатать
Поделиться
Общие характеристики
Тип товара
Профиль
Цвет покрытия
Серебристый
Форма (сечение)
Фигурный
Назначение
Для гипсокартонных листов
Модельный ряд
SL-LINIA
Материал корпуса
Алюминий
Индивидуальная покраска
Возможна
Гарантийный срок
3 год(а)
Способ монтажа
Встраиваемый со скрытым фланцем
5 94216 ₽/м

В наличии

Пленочная упаковка (полистирол) 2 м — 11 88432

Статус товара: выводится из поставок 

Пленочная упаковка (полистирол) 2 м 11 88432
Способы получения заказа Способы получения заказа Доставка по Ставропольскому краю
Описание
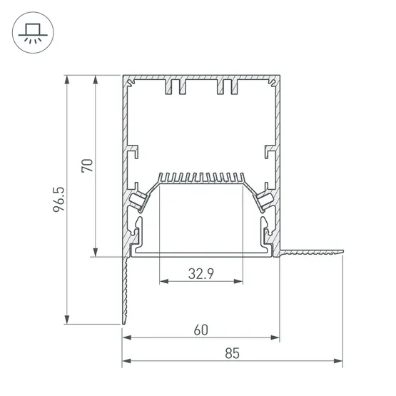
Встраиваемый профиль из анодированного алюминия со скрытым фланцем под строительную отделку устанавливается в потолки и потолочные ниши из гипсокартона для контурной подсветки помещений. Отсек для блока питания (48х36 мм) и съемная площадка для светодиодной ленты значительно облегчают сервисное обслуживание осветительного оборудования. Габаритные размеры профиля составляют 2000 мм в длину, 85 мм в ширину и 96,5 мм в высоту. Площадка для установки светодиодных лент позволяет использовать ленту шириной до 32 мм и мощностью до 29 Вт/м. Это обеспечивает гибкость в выборе светодиодных лент и создает потрясающие световые решения. Экраны, заглушки и другие аксессуары не включены в комплект и приобретаются отдельно. Цена указана за 1 метр профиля. Отличное решение для создания современных световых проектов. Перед установкой профиля в гипсокартон ОБЯЗАТЕЛЬНО установите в профиль экран.
Видео
Видеообзор FANTOM - скрытая установка
20 июля 2021
Видеообзор FANTOM - скрытая установка
Как создавать интересные световые иллюзии и эффекты с помощью профилей FANTOM? Как незаметно и аккуратно встроить профиль с фланцами в гипсокартонные стены и потолки? Покажем и расскажем в этом видео.
Характеристики
Под заказ от 500м. Алюминиевый анодированный профиль для светодиодных лент и линеек, с отсеком для блока питания (размер отсека 48x30 мм). Габаритные размеры (L×W×H): 2000x85x96,5 мм. Паз для установки 70х60 мм. Ширина площадки для ленты 32,9 мм. Экраны, заглушки и другие аксессуары приобретаются отдельно. Цена за 1 метр.
Общие
Артикул
027162
Тип товара
Профиль
Цвет покрытия
Серебристый
Форма (сечение)
Фигурный
Назначение
Для гипсокартонных листов
Модельный ряд
SL-LINIA
Материал корпуса
Алюминий
Индивидуальная покраска
Возможна
Гарантийный срок
3 год(а)
Способ монтажа
Встраиваемый со скрытым фланцем
Светотехнические
КПД профиля (cветовой)
88 %
Эксплуатационные
Внешний вид поверхности
Матовая
Покрытие поверхности
Анодирование
Ширина световой линии
55 мм
Рассеиваемая тепловая мощность на 1м
max: 29.82 W
Съемная площадка для ленты
Есть
Габариты
Длина
2000 мм
Ширина
85 мм
Высота
96.5 мм
Ширина площадки
32.9 мм
Отсек для БП, ширина
48 мм
Отсек для БП, высота
30 мм
Глубина установки источника света
28 мм
Другие
Кратность цены за 1 м/шт
1
Модели серии (20)
Страница серии
Item 1 of 20