Арт.: 021178

Профиль с экраном S2-LINIA94-F-2500 ANOD+OPAL (Arlight, Алюминий)

Распечатать
Поделиться
Общие характеристики
Тип товара
Профиль
Назначение
Для прямоугольных светильников
Форма (сечение)
С фланцем
Цвет покрытия
Серебристый
Материал корпуса
Алюминий
Индивидуальная покраска
Возможна
Модельный ряд
S2-LINIA
Состав комплекта
Профиль, экран
Способ монтажа
Встраиваемый с накладным фланцем
Архивный товар
Способы получения заказа Способы получения заказа Доставка по Ставропольскому краю
Описание
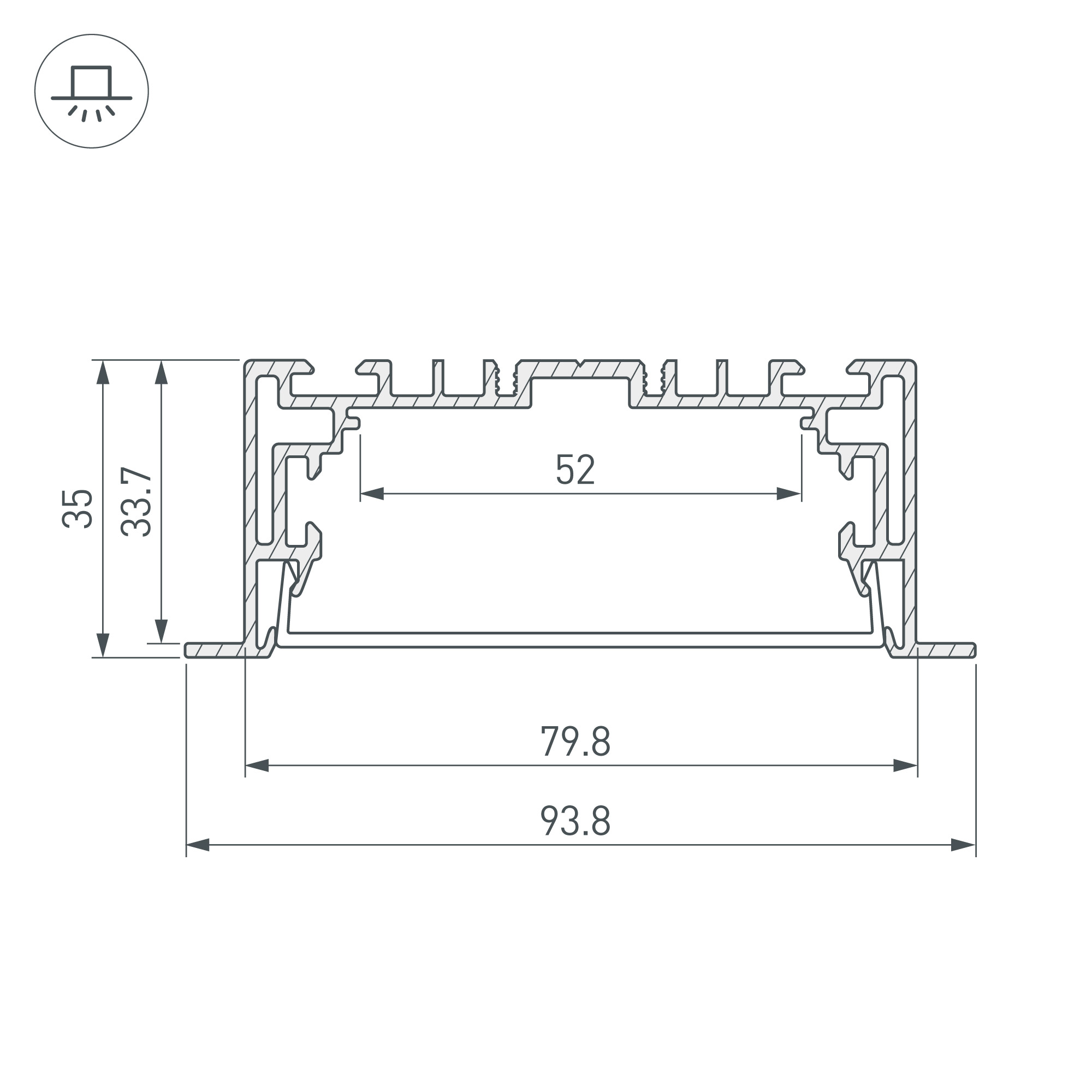
Встраиваемый профиль из анодированного алюминия с накладным фланцем в комплекте с матовым рассеивателем из поликарбоната со светопропусканием 85% идеально подходит для основного освещения и контурной подсветки. Габаритные размеры профиля составляют 2500 мм в длину, 94 мм в ширину и 35 мм в высоту. Площадка для установки светодиодных лент позволяет использовать ленту шириной до 52 мм и мощностью до 64 Вт/м. Это обеспечивает гибкость в выборе светодиодных лент и создает потрясающие световые решения. Заглушки и другие аксессуары не включены в комплект и приобретаются отдельно. Цена указана за комплект. Отличное решение для создания современных световых проектов.
Характеристики
Комплект с экраном. Алюминиевый анодированный профиль для светодиодных лент и линеек. Габаритные размеры (L×W×H): 2500x94x35 мм. В комплекте профиль, PC матовый экран. Ширина площадки для ленты 52 мм. Светопропускание экрана 85%. Аксессуары приобретаются отдельно. Цена за комплект.
Общие
Артикул
021178
Тип товара
Профиль
Назначение
Для прямоугольных светильников
Форма (сечение)
С фланцем
Цвет покрытия
Серебристый
Материал корпуса
Алюминий
Индивидуальная покраска
Возможна
Модельный ряд
S2-LINIA
Состав комплекта
Профиль, экран
Способ монтажа
Встраиваемый с накладным фланцем
Светотехнические
КПД профиля (cветовой)
92 %
Светопропускание
85 %
Эксплуатационные
Внешний вид поверхности
Матовая
Покрытие поверхности
Анодирование
Ширина световой линии
94 мм
Рассеиваемая тепловая мощность на 1м
max: 64.3 W
Габариты
Длина
2500 мм
Ширина
94 мм
Высота
35 мм
Ширина площадки
52 мм
Глубина установки источника света
30 мм
Другие
Кратность цены за 1 м/шт
0.4